
技術知識
圖析電動機間歇運行控制回路接法
在某些場合需要電動機在運行一段時間之后,自動停車(停止轉動),然后再自動啟動運行,這樣反復進行就是間歇運行。下圖便是一種電動機間歇運行控制電路。

當控制開關SA置于間歇運行位置時,KM得電使電動機起動運行,同時時間繼電器KT1得電。當KT1延時時間(運行時間)到,其常開觸點閉合,使中間繼電器KA得電,同時KA自鎖時間繼電器KT2得電,KA常閉觸點斷開,KM斷電,電動機停止運行。當KT2延時時間(間歇時間)到,其常閉觸點斷開,KA斷電,其常開觸點斷開,KT2斷電。KA的常閉觸點閉合,使KM又得電,電動機再次起動運行,使系統進入循環過程。
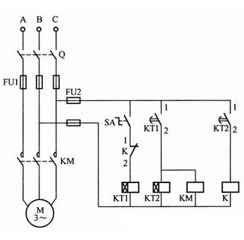
另一款電動機的間歇運行控制電路接線法如下圖所示。

當合上電源開關Q和控制開關SA時,通電延時繼電器KT1得電吸合。待延時時間到,其延時閉合常開觸點KT1(1-2)閉合,使時間繼電器KT2和接觸器KM得電吸合,KM的主觸點閉合,使電動機得電起動運轉。
當KT2延時時間到,其延時閉合常開觸點KT2 (1-2)閉合,使繼電器K得電吸合,其常閉觸點K(1-2)斷開,使時間繼電器KT1斷電釋放,使其已閉合常開觸點KT1(1-2)斷開,KT2和KM斷電釋放,KM的主觸點斷開,電動機停止運轉;已閉合的KT2常開觸點KT2 (1-2)斷開,K斷電釋放,其已斷開的常閉觸點K (1-2)恢復閉合,KT1再次得電吸合,延時一定時間后電動機再次起動運轉。這樣周而復始地起動運轉一停止一再起動運轉一再停止,形成電動機的間歇運行。
當需停止時,扳動控制開關SA即可。
本電路適用于間歇運行設備,如機床潤滑油供給系統的液壓泵電動機等。
標簽:  電動機 間歇運行 間歇運行

