
技術知識
關于變頻器對電機的損傷探究
目前,很多人已經發現了變頻器對電機損傷的現象。例如,某水泵廠,近兩年來,他的用戶頻繁報告水泵在保修期內發生損壞的現象。而過去,這個水泵廠的產品質量十分可靠。經過調查,發現這些損壞的水泵都是用變頻器驅動的。
盡管變頻器損傷電機的現象越來越被人們所關注,但是人們對造成這種現象的機理還不清楚,更不知道如何來預防。東莞電機小編在本文中的目的是解決這些困惑。
一、變頻器對電機的損傷
變頻器對電機的損傷包括兩個方面,定子繞組的損傷和軸承的損傷,如圖1所示。這種損傷一般發生在幾周至十幾個月內,具體時間與變頻器的品牌、電機的品牌、電機的功率、變頻器的載波頻率、變頻器與電機之間的電纜長度、環境溫度等諸多因素有關。電機的早期意外損壞給企業的生產帶來巨大的經濟損失。這種損失不僅是電機維修和更換帶來的費用,更主要的是意外停產帶來的經濟損失。因此,在使用變頻器驅動電機時,必須對電機損傷的問題有足夠的重視。

圖1 變頻器對電機的損傷
二、變頻器驅動與工頻驅動的區別
要了解工頻電機在變頻器驅動條件下更容易損壞的機理,首先了解變頻器驅動電機的電壓與工頻電壓有什么區別。然后再了解這種差別是如何對電機產生不良影響的。
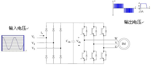
變頻器的基本構造如圖2所示,包括整流電路與逆變電路兩部分。整流電路為普通二極管與濾波電容構成的直流電壓輸出電路,逆變電路將直流電壓變換成脈寬調制的電壓波形(PWM電壓)。因此,變頻器驅動電機的電壓波形是脈寬變化的脈沖波形,而不是正弦波電壓波形。用脈沖電壓驅動電機就是導致電機容易損壞的根本原因。

圖2 變頻器的電路原理
三、變頻器損傷電機定子繞組的機理
脈沖電壓在電纜上傳輸時,如果電纜的阻抗與負載的阻抗不匹配,在負載端會產生反射。反射的結果是,入射波與反射波疊加,形成更高的電壓,它的幅度最大可以達到直流母線電壓的2倍,大約相當于變頻器輸入電壓的3倍,如圖3所示。過高的尖峰電壓加在電機定子的線圈上,對線圈造成電壓沖擊,頻繁的過電壓沖擊會導致電機過早失效。

圖3 變頻器在電機端產生的尖峰電壓
變頻器驅動的電機受到尖峰電壓的沖擊后,它的實際壽命與很多因素,包括,溫度、污染、振動、電壓、載波頻率以及線圈絕緣的工藝等因素有關。
變頻器的載波頻率越高,輸出電流波形越接近正弦波,這會降低電機的運行溫度,從而延長絕緣的壽命。但是,更高的載波頻率意味著每秒鐘產生的尖峰電壓數量更多,對電機的沖擊的次數更多。圖4給出了絕緣壽命隨著電纜長度與載波頻率的變化。從圖中可知,對于200英尺長的電纜,當載波頻率從3kHz提高到12kHz(變化4倍)時,絕緣的壽命從大約8萬小時降低到2萬小時(相差4倍)。

圖4 載波頻率對絕緣的影響
電機的溫度越高,絕緣的壽命越短,如圖5所示,當溫度升高到75?C時,電機的壽命只有50%。變頻器驅動的電機,由于PWM電壓包含較多的高頻成份,電機溫度會遠高于工頻電壓驅動的情況。

圖5 溫度對絕緣的影響
四、變頻器損傷電機軸承的機理
變頻器損傷電機軸承的原因是,有流過軸承的電流,并且這種電流處于斷續連通的狀態,斷續連通的電路會產生電弧,電弧燒毀了軸承。
導致交流電機的軸承中流過電流的原因主要有兩個,第一,內部電磁場不平衡產生的感應電壓,第二,雜散電容引起的高頻電流通路。
理想交流感應電機內部的磁場是對稱的,當三相繞組的電流相等,并且相位相差120?時,不會在電機的軸桿上感應出電壓。變頻器輸出的PWM電壓導致電機內部的磁場不對稱時,就會在軸桿上感應出電壓,電壓的幅度在10~30V,這與驅動電壓有關,驅動電壓越高,軸桿上的電壓越高。當這個電壓的數值超過軸承中的潤滑油的絕緣強度時,就會形成一個電流通路。軸桿旋轉過程中,在某個時刻,潤滑油的絕緣又阻斷了電流。這個過程類似于機械式開關的通斷過程,這個過程中會產生電弧,燒蝕軸桿、滾珠、軸碗的表面,形成凹坑。如果沒有外部振動,小凹坑不會產生過大的影響,但是如果有外部振動時,會產生凹槽,這對電機的運轉影響很大。
另外,實驗表明,軸桿上的電壓還與變頻器輸出電壓的基波頻率有關,基波頻率越低,軸桿上的電壓越高,軸承損傷越嚴重。
在馬達工作的初期,潤滑油溫度較低的時候,電流幅度在5-200mA,這么小的電流不會對軸承產生任何損壞。但是,當馬達運行一段時間后,隨著潤滑油溫度升高,峰值電流會達到5-10A,這會產生飛弧,在軸承部件的表面形成小坑。
五、電機定子繞組的保護
當電纜的長度超過30米時,現代變頻器必然會在電機端產生尖峰電壓,縮短電機的壽命。防止電機出現損傷,有兩個思路,一個是采用繞組絕緣抗電強度更高的電機(一般稱為變頻電機),另一個是采取措施減小尖峰電壓。前一種措施適合于新建的項目,后一種措施適合于對已有的電機進行改造。
目前常用的電機保護方法有以下4個:
1)在變頻器的輸出端安裝電抗器:這個措施最常用,但是需要注意的是,這個方法對于較短的電纜(30米以下)有一定效果,但是有時效果不夠理想,如圖6(c)所示。
2)在變頻器的輸出端安裝dv/dt濾波器:這個措施適用于電纜長度小于300米的場合,價格略高于電抗器,但是效果有了明顯的改善,如圖6(d)所示。
3)在變頻器的輸出端安裝正弦波濾波器:這個措施是最理想的。因為在這里,將PWM脈沖電壓變成了正弦波電壓,是電機工作在與工頻電壓相同的條件下,尖峰電壓的問題得到了徹底的解決(電纜再長,也不會出現尖峰電壓了)。
4)在電纜與電機接口的位置安裝尖峰電壓吸收器:前面幾個措施的缺點是當電機的功率較大時,電抗器或濾波器的體積、重量很大,價格較高,另外,電抗器和濾波器都會導致一定的電壓降,影響電機的輸出力矩,采用變頻器尖峰電壓吸收器能夠克服這些缺點。航天科工集團二院706所開發的SVA尖峰電壓吸收器,采用先進的電力電子技術和智能控制技術,是解決電機損傷的理想設備。另外,SVA尖峰吸收器還能保護電機的軸承。

圖6 du/dt濾波器與電抗器的比較
尖峰電壓吸收器是一種新型的電機保護裝置,如圖7所示(航天科工集團的SVA型號)。并聯連接電機的電源輸入端。

圖7 尖峰吸收器實物
SVA尖峰電壓吸收器的原理框圖如圖8所示,它的工作過程如下:
1)尖峰電壓檢測電路實時檢測電機電源線上的電壓幅度;
2)當檢測到電壓的幅度超過設定的閾值時,控制尖峰能量緩沖電路,使其吸收尖峰電壓的能量;
3)當尖峰電壓的能量充滿尖峰能量緩沖器時,尖峰能量吸收控制閥門打開,使緩沖器中的尖峰能量泄放到尖峰能量吸收器,將電能轉變成熱能;
4)溫度監控器監測尖峰能量吸收器的溫度,當溫度過高時,適當關閉尖峰能量吸收控制閥門,減小能量的吸收(在保證電機受到保護的前提下),避免尖峰電壓吸收器過熱而損壞;
5)軸承電流吸收電路的作用是將軸承電流吸收掉,保護電機軸承。

圖8 尖峰電壓吸收器原理框圖
尖峰吸收器與前面所述的du/dt濾波器、正弦波濾波器等電機保護方法相比,最大的好處是,體積小、價格低,安裝簡便(并聯安裝)。特別是功率較大的場合,尖峰吸收器在價格、體積、重量等方面的優點很突出。另外,由于是并聯安裝,不會產生電壓降,而du/dt濾波器和正弦波濾波器上都會有一定的電壓降,正弦波濾波器的電壓降接近10%,這會導致電機的轉矩降低。
標簽:   電機 變頻器

