三速、四速電動機變換調速接法
點擊次數:
更新時間:2016-09-23 09:08:59 【
打印此頁】 【
關閉】

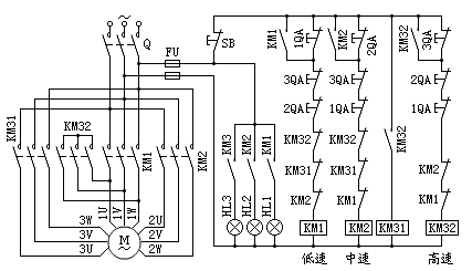
圖1 三速電動機電氣控制原理圖
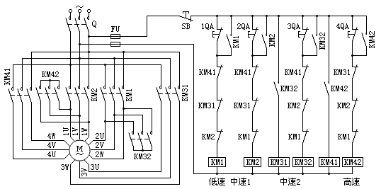
將雙速電動機再添加一組單速繞組,則變成三速電動機;若再添加一組雙速繞組,則變成四速電動機,例如,12/8/6/4極四速接法。國產YD系列三速電動機電氣控制原理圖如圖1,四速電動機電氣控制原理圖見圖2(圖中略去了部分輔佐電路,如熱繼電器維護、轉換開關、電流表、電壓表等)。

圖2 四速電動機電氣控制原理圖
標簽:   電動機 雙速 四速 三速