
新聞動態
東莞電機時間原則能耗制動控制電路工作探究

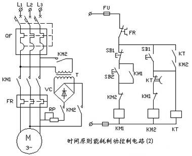
東莞電機時間原則能耗制動控制電路工作原理:
合上電源開關,按起動按鈕SB2,接觸器KM1線圈得電吸合并自保,東莞電機起動運轉。當按停止按鈕SB1時,KM1線圈斷電釋放,其主觸點斷開,定子繞組斷電;同時,KM2、KT線圈得電吸合并,KM2主觸點閉合,東莞電機二相定子繞組接入直流電源進行能耗制動。使東莞電機轉速迅速下降,當機轉接近零時,時間繼電器KT延時時間到。其通電延時斷開的動斷觸點斷開,使KM2、KT線圈相繼斷電釋放,制動過程結束。
RP為調節制動力大小的限流電阻。
以上內容希望大家能獲得幫助,繼續關注東莞電機廠可以了解更多電機信息。
標簽:  東莞電機 電機 東莞電機廠

